2023年7月18日,鼎阳科技宣布正式发布8通道SDS6000 Pro高分辨率高带宽数字示波器,带宽最高可达2GHz,有10-bit、12-bit两种垂直分辨率可选,单通道实时采样率和存储深度最高可达10GSa/s以及500Mpts,Sequence模式下,波形捕获率高至750,000wfm/s,8个模拟通道再叠加数字通道,可同步监测和分析8+16路信号,具备模板测试、波特图、电源分析、逻辑分析、眼图和抖动分析等强大的分析工具,可广泛应用于电机控制、汽车电子、通信、计算机、新能源等行业。

12.1英寸触摸屏叠加多个快捷软键体现友好交互性
优异的技术参数
·4/8通道可选,多通道测试是现代电子工程中常见的需求,例如需要同时测试多路信号的电流、电压、时序关系等,可广泛应用于多路传感器监测、三相功率分析、电源完整性测试、电源排序测试等。
·2GHz高带宽,决定示波器对信号的基本测量能力,即使测量高频信号时也能保障真实还原信号,应用范围广泛。
·12-bit高分辨率,4096级量化等级,有利于复杂信号的波形细节观测,提高信号捕获的准确性以及测量的可靠性。
·10GSa/s高采样率,实现高速瞬态信号的快速捕获与高精度分析,能够更快、更准地发现并定位问题所在。
·500Mpts/ch长存储,长时间的数据记录能力,一次能够采集捕获更多的关注事件,最大程度地保留波形细节。

12-bit高精度让波形显示更清晰 长存储深度保障波形细节不丢失
强大的分析功能
·FFT,除了CH1-CH8上的实际波形之外,还可以对运算波形执行信号频域测试与分析,峰值检测功能会自动检测杂散频率,便于分析被测电路中的干扰噪声。
·模板测试,通过用户自定义的模板对波形进行实时测试,最高每秒可执行25,000次测试,在设计和制造过程中帮助节省时间和费用,广泛用于信号质量评估、产品可靠性验证。
·解码,支持两路同时解码,标配I2C、SPI、UART、CAN、LIN五种串行协议解码,并可选配CAN FD、FlexRay、I2S、MIL-STD-1553B、SENT、Manchester、ARINC429等多种协议,可广泛应用于嵌入式设计、汽车电子、通信等领域。
·电源分析,可自动完成电源质量、浪涌电流、开关损耗等12项参数的测量,代替繁琐的手工配置和复杂的公式计算,帮助工程师迅速准确地分析常用的电源参数。
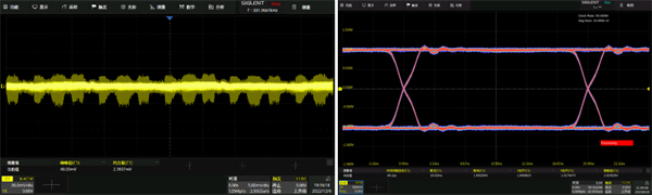
·眼图和抖动分析,利用眼图可以观察到码间串扰和噪声的影响,体现信号的整体特征,帮助评估系统优劣程度,抖动分析可以将系统性能做进一步的分析和测量,以提升高速电路的时序冗余度。
·支持灵活组建多通道采集系统,通过同步机触发多台(最多64台)示波器同步采集,最多支持扩展至512个模拟通道。

电源纹波测量保障电源足够“干净” 眼图分析评估串扰与噪声
广泛的应用场景
·多路信号采集与监控,在工业上或实验室中,经常需要对多种信号进行同时采集监测,如汽车喷油嘴故障检验、高速火车控制系统检验、电路板检验等,SDS6000 Pro使用同步机后最多可扩展至512个模拟通道,能够帮助客户对复杂的信号交互开展同步监测和分析,从而获得对产品设计更加深入、全面的了解。
·嵌入式系统分析,在使用示波器调试嵌入式系统时,在同时进行两路串行总线分析时,还可以再观察多路波形,如在汽车电子与嵌入式混合信号测量中,随着驾驶需求的增加,系统越来越复杂,传感器、执行器的数据不断增加,工程师们不仅需要测试模拟波形还需要进行串行总线协议分析,8通道SDS6000 Pro就是能够快速帮助工程师完成嵌入式系统调试工作的分析利器。
·三相交流电分析,三相交流电广泛应用于需要高能效或大功率的机电设备,如三相逆变器、电机、驱动器等。逆变器广泛应用于家电、太阳能光伏发电、风能发电等,而在诸多汽车系统中,主驱、水泵、油箱冷却系统都是由三相电所控制,对这些设备进行功率分析和电能质量测量必不可少。使用SDS6000 Pro分析三相电时,其中3路接高压差分探头测量电压,3路接电流探头测量电流,这样不仅能直接观测到实时波形,还能利用数学运算进行各种信号处理得到电流有效值、视在功率、波峰因数、谐波失真等参数。
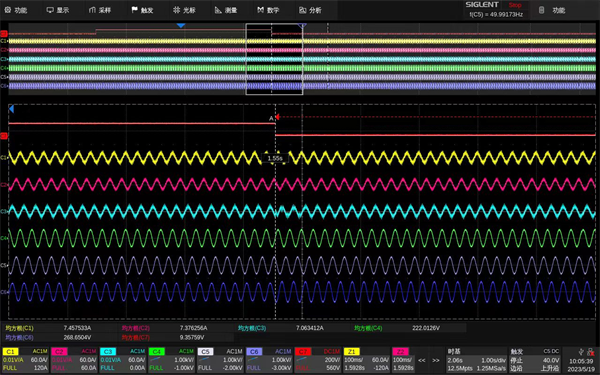
·多路信号时序测试,广泛应用于芯片设计、自动驾驶、汽车功率半导体、电源排序检验、高压充放电平台等。如今大多数嵌入式电路设计中电源轨越来越多,且有着特定的上电、掉电时序要求,甚至规定了上电、掉电的时间要求,如此一来电源排序必不可少,传统的4通道示波器需要多次采集,逐个模块检查,而SDS6000 Pro凭借其8通道的优势可同时观察8路通道波形情况,获得各路时序情况,帮助加快研发进程。

8通道优势:各路时序情况一目了然
作为通用测试测量行业的领军者,鼎阳科技推出的这一款8通道SDS6000 Pro示波器,不仅具有优异的技术参数,且分析功能强大,是一款实用且优秀的测试工具,相信能够有效地帮助工程师们应对更多的测试挑战!
相关稿件